Introducción de Nelson Weld Studs
Nelson Weld Stud es una especie de resistencia - y un sujetador confiable utilizado para conectar componentes metálicos. Los pernos de los pernos de Nelson están diseñados para permitir que los sujetadores se solden directamente al material a través del proceso de soldadura de plantas, reduciendo la perforación y el atornillado y el aumento de la eficiencia laboral.
Utilizado en la construcción de acero compuesto, los pernos de soldadura de Nelson proporcionan resistencia al corte y aumentan la capacidad de carga mediante la unión de losas de concreto a miembros de acero en estructuras como edificios, puentes y columnas. Además, funcionan como anclajes de incrustación para varios componentes integrados, incluidas placas, marcos y ángulos.
Características de Nelson Stud Bolts
-
Alta fuerza y confiabilidad
-
Mejorar la eficiencia de trabajo y ahorrar tiempo
-
Buena aplicabilidad
-
Nelson Studs cumple con múltiples estándares de soldadura como AWSD1.1, ASW D1.5, etc.

Aplicación amplia de los pernos de soldadura de Nelson
1. Construcción de edificios: los pernos de soldadura de Nelson son apropiados para construir estructuras de acero como edificios de altura -} largos -}, y especialmente rascacielos con requisitos de estrés de alto-}. Y en la prefabricación de la estructura de acero, los pernos de corte de Nelson se pueden usar como piezas de conexión para fijar y conectar piezas estructurales de acero, como placas, vigas y columnas.
2. Campo industrial: la excelente fuerza y dureza de los pernos de soldadura de Nelson puede satisfacer las necesidades de varias condiciones de trabajo complejas.
3. Infraestructura: en la construcción de ferrocarriles, túneles y otras infraestructuras, los pernos de corte de Nelson tienen las características de la alta resistencia que garantiza que la infraestructura sea duradera y estable.




Conclusión
En conclusión, Nelson Studs puede proporcionar soluciones de conexión de calidad en grandes proyectos de ingeniería de necesidades de ingeniería específicas. Puede encontrar espárragos de soldadura de calidad - de calidad en sinergia.
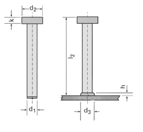
Especificación de Nelson Weld Stud

| φ (mm) | L2 (mm) | D1 (mm) | D2 (mm) | D3 (mm) | K (mm) | Mmm) |
|
10 |
50 75 100 125 150 175 |
10 | 19 | 12,5 | 7 | 2,5 |
| 13 |
25 50 75 100 125 150 175 |
13 | 25 | 17 | 8 | 3 |
| 16 |
35 50 75 100 125 150 175 200 |
16 | 32 | 21 | 8 | 4,5 |
| 19 |
50 60 75 80 100 125 150 175 200 |
19 | 32 | 24 | 10 | 6 |
| 22 |
90 100 125 150 175 200 250 300 |
22 | 35 | 28 | 10 | 6 |